工作時間 周一至周六 8:00-17:00
JL8-23集成電路電流繼電器是靜態型,不帶方向性的、瞬動、交流電流繼電器。用于電力系統輸電線、電機、過負荷和短路保護中,作為起動元件。
JL8-23集成電路電流繼電器用途
JL8-23集成電路電流繼電器是靜態型,不帶方向性的、瞬動、交流電流繼電器。用于電力系統輸電線、電機、過負荷和短路保護中,作為起動元件。本系列產品是專為替代DL系列繼電器而設計的升級產品,精度高、功耗小、動作時間快、返回系數高、整定直觀方便,其整定范圍為0.1A~ 99.9A,且整定范圍在2A~99.9A者不需要加直流輔助電源。
JL8-23集成電路電流繼電器型號說明

JL8-23集成電路電流繼電器主要技術參數
1.額定值
a) 額定交流電流:0.1A、5A;
b) 頻率:50Hz;
c) 額定輔助直流電壓:48V、110V、220V。
2.電流整定范圍: 0.1A~99.9A (整定范圍在2A~99.9A者,不需要輔助電源)
3.功率消耗
a) 在額定輔助直流電壓下:
b) 交流回路功耗:不大于1.5VA;
c) 直流回路功耗:不大于4W。
d) 無額定輔助直流電壓下,在額定電流時繼電器的交流回路功耗不大于1.5VA。
4.直流輔助電壓允許變化范圍: 220V,110V時0.8~1.1倍額定值,48V時0.9~1.1倍額定值。
5.動作時間
a) 1.2倍整定值時動作時間不大于25ms;
b) 2倍整定值時動作時間不大于20ms。
6.返回時間: 返回時間不大于25ms。
7.返回系數: 返回系數不小于0.85。
8.整定誤差: 在基準條件下,電流整定誤差不大于5%。
9.觸點性能
繼電器觸點在電壓不大于250V,電流不大于2A的直流有感負荷(時間常數為5ms±0.75ms)電路中,斷開容量為50W;在電壓不大于250V,電流不 大于1A的交流電路中(功率因數為0.4±0.1),斷開容量為250VA。
10.絕緣電阻
繼電器各電路對外露的非帶電金屬部分及無電氣聯系的各回路之間的絕緣電阻應不小于300MΩ。
11.介質強度 繼電器各電路對外露的非金屬部分之間,以及線圈電路對觸點電路之間,應能承受2kV(有效值)、50Hz的交流試驗電壓,歷時1min 試驗,應無絕緣擊穿或閃絡現象。
12.工作條件
a) 使用地點不允許有爆炸危險的介質,周圍介質中不含有腐蝕金屬和破壞金屬的氣體及導電介質,不允許充滿水蒸氣及有嚴重的霉菌存在;
b) 使用地點不允許有較強的振動和沖擊;
c) 使用地點應具有防御雨、雪、風、沙的設備;
d) 使用地點不允許超過1.5mT的外磁感應強度。
13.電氣抗干擾繼電器應符合GB7261和GB6261《靜態型繼電器及保護裝置的電氣抗干擾試驗》。
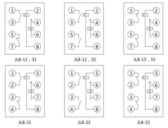
JL8-23集成電路電流繼電器內部接線圖及外引接線圖(正視圖)

JL8-23集成電路電流繼電器繼電器外形尺寸及開孔尺寸


礦山冶金
化工、化肥、水泥、紡織
能源、環保
機械電子
火電、水電
造紙、制糖、制藥
市政基礎建設
原料、鋼鐵
上一篇:JL8-22集成電路電流繼電器
下一篇:JL-A/11 DK無輔源電流繼電器

