工作時間 周一至周六 8:00-17:00
DL-11電流繼電器,為電磁式瞬動過電流繼電器,它廣泛用于電力系統二次回路繼電保護裝置線路中,作為過電流啟動元件。
DL-11電流繼電器概述
DL-11電流繼電器,為電磁式瞬動過電流繼電器,它廣泛用于電力系統二次回路繼電保護裝置線路中,作為過電流啟動元件。
DL-11電流繼電器主要技術參數據
動作時間:在1.1倍實測動作值時,動作時間不大于0.12s;在2倍實測動作值時,動作時間不大于0.04s。
觸點容量:在電壓不超過250V,電流不超過5A,時間常數為5±0.75ms的直流有感負荷電路中,產品輸出觸點的斷開容量為50W。 輸出觸點在上述規定的負荷條件下,產品能可靠動作及返回5×104次。輸出觸點長期允許接通電流為5A。
介質強度:產品各導電端子連在一起,對外露的非帶電金屬部分或外殼之間,能承受2000V(有效值)50Hz的交流電壓歷時1分鐘試驗 而無絕緣擊穿或閃絡現象。
DL-11電流繼電器內部接線及外引接線圖(背視圖)

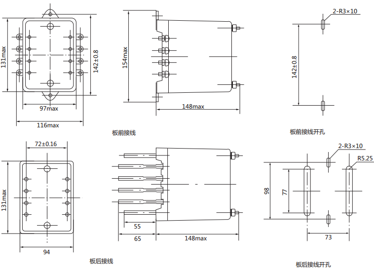
DL-11電流繼電器外形尺寸

礦山冶金
化工、化肥、水泥、紡織
能源、環保
機械電子
火電、水電
造紙、制糖、制藥
市政基礎建設
原料、鋼鐵
上一篇:沒有了!
下一篇:GL-11過流繼電器

