上海上繼科技有限公司

021-57233089
您現在的位置:首頁>產品中心>繼電器>差動及其他繼電器系列

差動及其他繼電器系列

DH-2A重合閘繼電器

所屬欄目:差動及其他繼電器系列
產品特征:

DH-2A重合閘繼電器用于輸電線路上實現三相一次重合閘接線中,作為重合閘元件。

產品咨詢021-57233089 聯系我們
分享到:

DH-2A應用范圍


用于輸電線路上實現三相一次重合閘接線中,作為重合閘元件。


DH-2A主要技術參數


DH-2A主要技術參數表


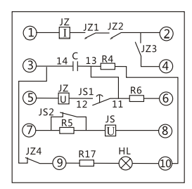
DH-2A內部接線


DH-2A內部接線


DH-2A內部接線外形及開孔尺寸


DH-2A殼體, 見附圖14

DH-2A內部接線外形及開孔尺寸

礦山冶金
  • 江蘇鵬飛集團
  • 陜西有色冶金礦業集團
化工、化肥、水泥、紡織
  • 山東玉皇化工集團
  • 華新水泥股份有限公司
能源、環保
  • 海潤光伏
  • 威孚高科技集團
機械電子
  • 紹興肯特機械電子有限公司
  • 華通機電股份有限公司
火電、水電
  • 青島能源熱電有限公司
  • 浙富股份
造紙、制糖、制藥
  • 金東紙業
  • 金光集團
市政基礎建設
  • 銀億公園壹號
  • 蘇河融景
原料、鋼鐵
  • 武漢鋼鐵集團
  • 鞍山鋼鐵集團公司
點擊交談
021-57233089
企業店鋪