工作時間 周一至周六 8:00-17:00
DX-17/6信號繼電器產品使用于電力系統二次回路的繼電保護線路中作為指示信號用,為一次掉牌。
DX-17/6信號繼電器應用范圍
DX-17/6信號繼電器產品使用于電力系統二次回路的繼電保護線路中作為指示信號用,為一次掉牌。
DX-17/6信號繼電器型號

DX-17/6信號繼電器主要技術數據
●額定電壓: DC 220V、110V、48V、24V、12V。
●額定電流:0.01A,0.015A、0.02A、0.025A、0.04A、0.05A、0.075A、0.08A、0.1A、0.15A、0.2A、0.25A、0.5A、 0.75A、lA、2A、4A。
●動作值:電壓型不大于70%額定值;電流型不大于90%額定值。
●返回值:不小于額定值的2%。
●功率消耗:電壓型不大于3W;電流型不大于0.3W。
●觸點容量:產品的觸點應能斷開電壓不超過250V及電流不超過0.5A,容量為30W的有感負荷(時間常數為5±0.75ms)的直流電路,或電壓不超過250V及電流不超過lA,容量為100VA的交流電路,功率因數為0.4±0.1。
●介質強度:繼電器各導電電路連在一起對外露的非帶電金屬部分及外殼之間,線圈電路對觸點電路之間,應能承受2000V(有效 值)、50Hz的交流試驗電壓歷時lmin試驗,而無擊穿或閃絡現象。
DX-17/6信號繼電器內部接線及外引接線圖(正視圖)

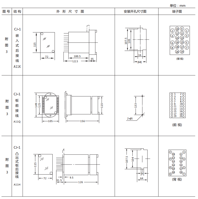
DX-17/6信號繼電器外形及開孔尺寸


礦山冶金
化工、化肥、水泥、紡織
能源、環保
機械電子
火電、水電
造紙、制糖、制藥
市政基礎建設
原料、鋼鐵
上一篇:DX-17/5信號繼電器
下一篇:DX-33/2信號繼電器

