工作時間 周一至周六 8:00-17:00
DZ-32B中間繼電器用于直流操作的各種保護和自動控制線路中,作為輔助繼電器以增加觸點數量和觸點容量。
DZ-32B中間繼電器應用范圍
DZ-32B中間繼電器用于直流操作的各種保護和自動控制線路中,作為輔助繼電器以增加觸點數量和觸點容量。
DZ-32B是DZ-32B的改進型。該繼電器克服了原來DZ-32B繼電器采用的繞組線徑為0.06-0.07漆包線。在長期運輸中,出現的斷線缺點,提高了可靠性。其余內部接線、外形尺寸、接線端子、使用功能等不變。
DZ-32B中間繼電器主要技術參數
·額定電壓:DC 220V、110V、48V、24V、12V。
·動作值:額定電壓值30~70%。返回值:不小于額定值的5%。
·動作時間:在額定電壓下,動作時間不大于45ms。
·返回時間:不大于60ms.
·功率消耗:不大于7W。
·觸點容量:在電壓不超過250V,電流不超過5A,時間常數為5±0.75ms的直流有感負荷電路中,產品輸出觸點的斷開容量為50W。輸出觸點在上述規定的負荷條件下,產品能可靠動作及返回5x104次。輸出觸點長期允許接通電流為5A。
DZ-32B中間繼電器內部接線圖及外引接線圖(正視圖)

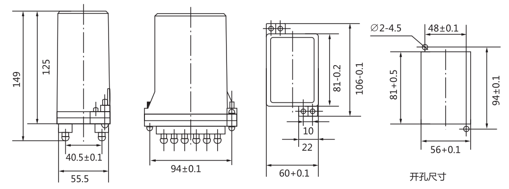
DZ-32B中間繼電器外形及開孔尺寸

礦山冶金
化工、化肥、水泥、紡織
能源、環保
機械電子
火電、水電
造紙、制糖、制藥
市政基礎建設
原料、鋼鐵
上一篇:DZ-31BG中間繼電器
下一篇:DZ-32BG中間繼電器

