工作時間 周一至周六 8:00-17:00
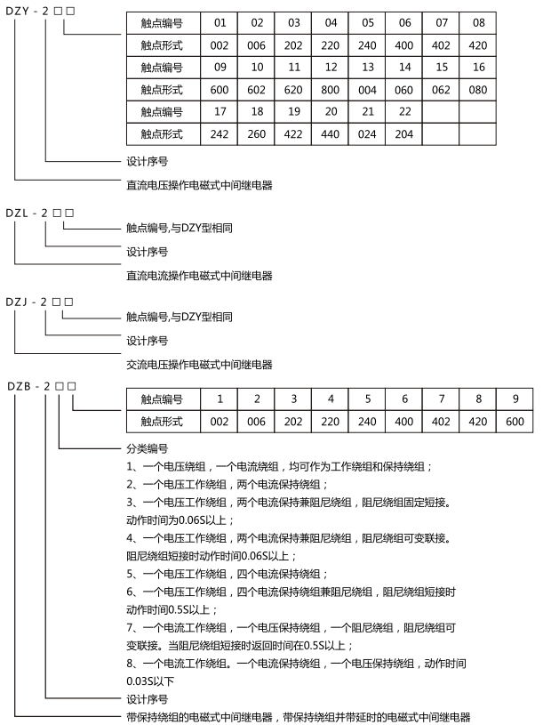
DZY(J)-202X中間繼電器用于各種保護和自動控制裝置中,以增加保護和控制回路的觸點數量和觸點容量。
DZY(J)-202X中間繼電器用途
DZY(J)-202X中間繼電器用于各種保護和自動控制裝置中,以增加保護和控制回路的觸點數量和觸點容量。
DZY(J)-202X中間繼電器型號含義及命名


注:本繼電器外形結構采用: A11外殼,見附圖3。
DZY(J)-202X中間繼電器結構及原理
本繼電器為閥型電磁式繼電器。線圈裝在“U”形導磁體上, 導磁體上面有一個活動的銜鐵, 導磁體兩側裝有兩排觸點彈開。在非動作狀態下觸點彈片將銜鐵向上托起,使銜鐵與導磁體之間保持一定間隙。當氣隙間的電磁力矩超過反作用力矩時,銜鐵被吸向導磁體,同時銜鐵壓動觸點彈片,使常閉觸點斷開常開觸點閉合,完成繼電器工作。當電磁力矩減小到一定值時,由于觸點彈片的反作用力矩,而使觸點與銜鐵返回到初始位置,準備下次工作。
2.本繼電器的“U”形導磁體采用雙鐵心結構,即在兩個邊柱上均可裝設線圈。對于DZY、DZL和DZJ型只裝一個線圈,而對于DZB, DZS, DZK型可根據需要在另一個鐵心上裝以保持線圈或延時用阻尼片等。從而使線圈類型大不相同的繼電器都通用一個導磁體。
3.根據繼電保護的中間繼電器常與信號繼電器同時使用的情況,本繼電器X型產品附有聯動的動作信號指示與復歸機構,并有一對帶機械保持的動合觸點以接通遠方信號,即完全可以將聯動的信號繼電器省掉,這對提高保持裝置的可靠性,簡化接線,降低成本是有一定意義的。
DZY(J)-202X中間繼電器技術數據
1.繼電器的觸點形式,繞組類型和額定數據



注: X型除上述主觸點外還有一付動合帯機械保持的信號觸點。
2.動作值, 保持值
2.1動作電壓與保持電壓不大于70%額定電壓, DZY(J)-202X動作電壓不大于80%額定電壓;動作電壓不小于30%額定電壓, DZK-200及DZB 243不小于50%額定電壓。
2.2動作電壓與保持電流不大于80%額定電流。
3.返回值:不小于5%額定值, DZB-200及DZS-200不小于3%額定值。
4.動作時間,返回時間。


6. 熱穩定性(環境溫度40°C時)
6.1電壓繞組長期耐受110%額定電壓溫升不大于65°C。
6.2電流繞組能受三倍額定電流,歷時5s。
7.觸點容量

8.耐濕熱性能
最高溫度為+40°C,按交變濕熱試驗程序及方法, 試驗2周(48h)后,用開路電壓為500V的測試儀器測定,繼電器各導電電路連在一起對外露的非帶電金屬部分及外殼之間, 以及線圈電路對觸點電路之間的能電阻值不小于4MΩ。
9.絕緣強度
繼電器電路與非導電金屬部分和外殼及在電氣上無聯系的各電路之間能耐交流50HZ,電壓2kV,歷時1min。繼電器線圈的繞組間能耐受交流50Hz電壓1kV歷時1min試驗
10.壽命:電壽命后仍能滿足4.2-4.4條的要求。機械壽命后經過調整仍能滿足4.2-4.4條的要求。

11.線圈電阻值
11.1 DZY(J)-202X直流中間繼電器








DZY(J)-202X中間繼電器外形結構及開孔尺寸圖

礦山冶金
化工、化肥、水泥、紡織
能源、環保
機械電子
火電、水電
造紙、制糖、制藥
市政基礎建設
原料、鋼鐵
上一篇:DZY(J)-201X中間繼電器
下一篇:DZY(J)-203X中間繼電器

